|
|
Eponges du Bathonien de Saint-Aubin-sur-Mer | ![]() |
![]() |
Eponge d'un bioherme récoltée sur l'estran à marée basse, de forme étalée et ondulée. De telles éponges fossiles étaient autrefois appelées "tripards" par les carriers normands (allusion à la forme des tripes à la mode Caen) |
![]() |
|
![]() |
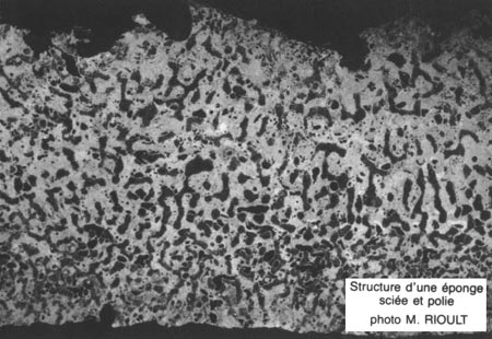
La structure lacunaire caractéristique
des éponges s'observe sur cette coupe. |
|
Eponges du Bathonien de Saint-Aubin-sur-Mer | ![]() |